70+ pages 1492 aifm8 3 manual 1.8mb. 1492-AIFM6S-3 1492-AIFM8-3 Standard Terminal 8-channel for 3-wire sensor devices. Pinout 1492-AIFM8-3 1492-RAIFM8-3 Feed-Through 8-Channel Differential 16-Channel Single-Ended with 3 TerminalsChannel Application Notes 1. 1492-AIFM8-3 1492 AIFM 16F 5 ab c b Module Type all types do not configure a catalog number CodeDescription 4 4 channel C Combination CE Counter Encoder. Check also: aifm8 and understand more manual guide in 1492 aifm8 3 manual FM Class 1 Div2 requires device installation in a tool-accessible enclosure compliant with ANSIISA S82.
Local Stock13 Madison Heights MI. Shield Terminals Six field-side terminals are jumpered together on the AIFM and internally connected to the D-shell housing.

Cat 1492 Aifm8 3 Raifm8 3 Manualzz
| Product: Cat 1492 Aifm8 3 Raifm8 3 Manualzz |
| Manual Book Format: ePub Book |
| Number of Pages: 166 pages 1492 Aifm8 3 Manual |
| Product Version Date: May 2019 |
| Document Size: 2.8mb |
| Read Cat 1492 Aifm8 3 Raifm8 3 Manualzz |
1492-AIFM8-3 1492 AIFM 16F 5 ab c b Module Type all types do not configure a catalog number CodeDescription 4 4 channel C Combination CE Counter Encoder 6 6 channel 8 8 channel 16 16 channel F Fused c Number of Field Side Wiring Terminals Description 3 Three per IO channel 5 Five per IO channel.
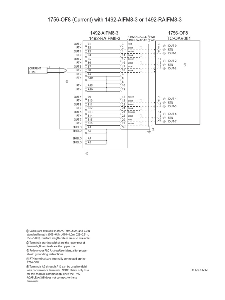
Publication 1492-TD008C-EN-P - September 2005 156 DigitalAnalog Programmable Controller Wiring Systems 1492-AIFM8-F-5 Fusible 8-Channel Input with 24V DC Blown Fuse Indicators 5 TerminalsChannel Application Notes 1. 1492-AIFM6S-3 1492-AIFM8-3 Standard Terminal 8-channel for 3-wire sensor devices. 1492-AIFM8-3 Wiring Module 8-Channel Differential 16 Channel Single End Allen-Bradley 1756-PA75 Power Supply 85 - 265VAC 20A 25W Allen-Bradley 1756-OF8 IO Module Analog Output 8 Channel Allen-Bradley 1492-ACABLE025UB Cable Pre-wired 22AWG 20 Conductor Shielded 25m 82 Allen-Bradley 1492-EAJ35 Terminal Block End Anchor Normal. Literature Library Rockwell Automation. A wiring diagram is a sort of schematic which makes use of abstract photographic icons to show all the interconnections of elements in a system. Feed-Through 8 Channel Analog IFM 3 Terminals per Input Analog Interface Module.

1492 Aifm8 3 Allen Bradley Buy Or Repair At Radwell Radwell
| Product: 1492 Aifm8 3 Allen Bradley Buy Or Repair At Radwell Radwell |
| Manual Book Format: eBook |
| Number of Pages: 289 pages 1492 Aifm8 3 Manual |
| Product Version Date: October 2021 |
| Document Size: 1.35mb |
| Read 1492 Aifm8 3 Allen Bradley Buy Or Repair At Radwell Radwell |

Rockwell Automation 1492 Aifm8 3 Raifm8 3 Analog Interface Modules User Manual Page 5 6
| Product: Rockwell Automation 1492 Aifm8 3 Raifm8 3 Analog Interface Modules User Manual Page 5 6 |
| Manual Book Format: eBook |
| Number of Pages: 144 pages 1492 Aifm8 3 Manual |
| Product Version Date: June 2021 |
| Document Size: 725kb |
| Read Rockwell Automation 1492 Aifm8 3 Raifm8 3 Analog Interface Modules User Manual Page 5 6 |

1492 Aifm8 3 Allen Bradley Buy Or Repair At Radwell Radwell
| Product: 1492 Aifm8 3 Allen Bradley Buy Or Repair At Radwell Radwell |
| Manual Book Format: ePub Book |
| Number of Pages: 323 pages 1492 Aifm8 3 Manual |
| Product Version Date: March 2019 |
| Document Size: 1.3mb |
| Read 1492 Aifm8 3 Allen Bradley Buy Or Repair At Radwell Radwell |
1492 Aifm8 3 1756 Of8 Current 41170 532 2 Sports
| Product: 1492 Aifm8 3 1756 Of8 Current 41170 532 2 Sports |
| Manual Book Format: PDF |
| Number of Pages: 178 pages 1492 Aifm8 3 Manual |
| Product Version Date: February 2019 |
| Document Size: 1.1mb |
| Read 1492 Aifm8 3 1756 Of8 Current 41170 532 2 Sports |
Aifm8 3 Or Rifm8 3 To 1756 Of8h Curr Hart Out 41170 891 1 Manufactured Goods
| Product: Aifm8 3 Or Rifm8 3 To 1756 Of8h Curr Hart Out 41170 891 1 Manufactured Goods |
| Manual Book Format: PDF |
| Number of Pages: 191 pages 1492 Aifm8 3 Manual |
| Product Version Date: August 2019 |
| Document Size: 1.9mb |
| Read Aifm8 3 Or Rifm8 3 To 1756 Of8h Curr Hart Out 41170 891 1 Manufactured Goods |
1492 Aifm8 3 1756 Of8 Current 41170 532 2 Sports
| Product: 1492 Aifm8 3 1756 Of8 Current 41170 532 2 Sports |
| Manual Book Format: PDF |
| Number of Pages: 345 pages 1492 Aifm8 3 Manual |
| Product Version Date: June 2020 |
| Document Size: 2.2mb |
| Read 1492 Aifm8 3 1756 Of8 Current 41170 532 2 Sports |
Rockwellautomation Custhelp Ci Fattach Get 31539 1258834454
| Product: Rockwellautomation Custhelp Ci Fattach Get 31539 1258834454 |
| Manual Book Format: PDF |
| Number of Pages: 312 pages 1492 Aifm8 3 Manual |
| Product Version Date: March 2021 |
| Document Size: 1.2mb |
| Read Rockwellautomation Custhelp Ci Fattach Get 31539 1258834454 |

1492 Aifm8 3 Allen Bradley Buy Or Repair At Radwell Radwell
| Product: 1492 Aifm8 3 Allen Bradley Buy Or Repair At Radwell Radwell |
| Manual Book Format: eBook |
| Number of Pages: 342 pages 1492 Aifm8 3 Manual |
| Product Version Date: August 2017 |
| Document Size: 810kb |
| Read 1492 Aifm8 3 Allen Bradley Buy Or Repair At Radwell Radwell |
Bph Hsph Harvard Edu Datasheets Allen Bradley 1492 Raifm8 3 Pdf
| Product: Bph Hsph Harvard Edu Datasheets Allen Bradley 1492 Raifm8 3 Pdf |
| Manual Book Format: eBook |
| Number of Pages: 221 pages 1492 Aifm8 3 Manual |
| Product Version Date: October 2017 |
| Document Size: 6mb |
| Read Bph Hsph Harvard Edu Datasheets Allen Bradley 1492 Raifm8 3 Pdf |

Rockwell Automation 1492 Aifm8 3 Raifm8 3 Analog Interface Modules User Manual Page 3 6
| Product: Rockwell Automation 1492 Aifm8 3 Raifm8 3 Analog Interface Modules User Manual Page 3 6 |
| Manual Book Format: eBook |
| Number of Pages: 239 pages 1492 Aifm8 3 Manual |
| Product Version Date: July 2021 |
| Document Size: 2.1mb |
| Read Rockwell Automation 1492 Aifm8 3 Raifm8 3 Analog Interface Modules User Manual Page 3 6 |

1492 Aifm8 3 Allen Bradley Buy Or Repair At Radwell Radwell
| Product: 1492 Aifm8 3 Allen Bradley Buy Or Repair At Radwell Radwell |
| Manual Book Format: ePub Book |
| Number of Pages: 142 pages 1492 Aifm8 3 Manual |
| Product Version Date: December 2018 |
| Document Size: 1.8mb |
| Read 1492 Aifm8 3 Allen Bradley Buy Or Repair At Radwell Radwell |
1492 Aifm8 3 Wiring Diagram. Supports conversions SLC 500 to CompactLogix 5380 and 5069 Compact IO. Feed-Through 8 Channel Analog IFM 3 Terminals per Input Analog Interface Module.
Here is all you need to read about 1492 aifm8 3 manual Supports conversions SLC 500 to CompactLogix 5380 and 5069 Compact IO. 1492-AIFM4-3 Isolated Standard Terminal 6-channel IFM with 25 connections. Feed-Through 8 Channel Analog IFM 3 Terminals per Input Analog Interface Module. Rockwell automation 1492 aifm8 3 raifm8 3 analog interface modules user manual page 3 6 1492 aifm8 3 1756 of8 current 41170 532 2 sports 1492 aifm8 3 allen bradley buy or repair at radwell radwell bph hsph harvard edu datasheets allen bradley 1492 raifm8 3 pdf 1492 aifm8 3 allen bradley buy or repair at radwell radwell 1492 aifm8 3 allen bradley buy or repair at radwell radwell Simplifies design and engineering time.
Tidak ada komentar:
Posting Komentar